






DC 인버터 로타리 압축기 (드라이브 포함) : 냉매 R-410A
■ 3HP급 DC 인버터 로타리 압축기 (드라이브 포함)
- 모델 : WHP09100
- 냉매 : R-410A
- 전원 : 3ph, AC380V, 50/60Hz
   - 토출량 : 22.6CC
   - 냉각용량 : 6,985W (E.T 7.2℃ / C.T 54.4℃ / 3600rpm)
- COP : 3.3
- 운전 주파수 범위 : 15~120Hz(900~7200rpm)
- 적용 온도범위
     
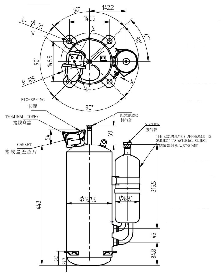
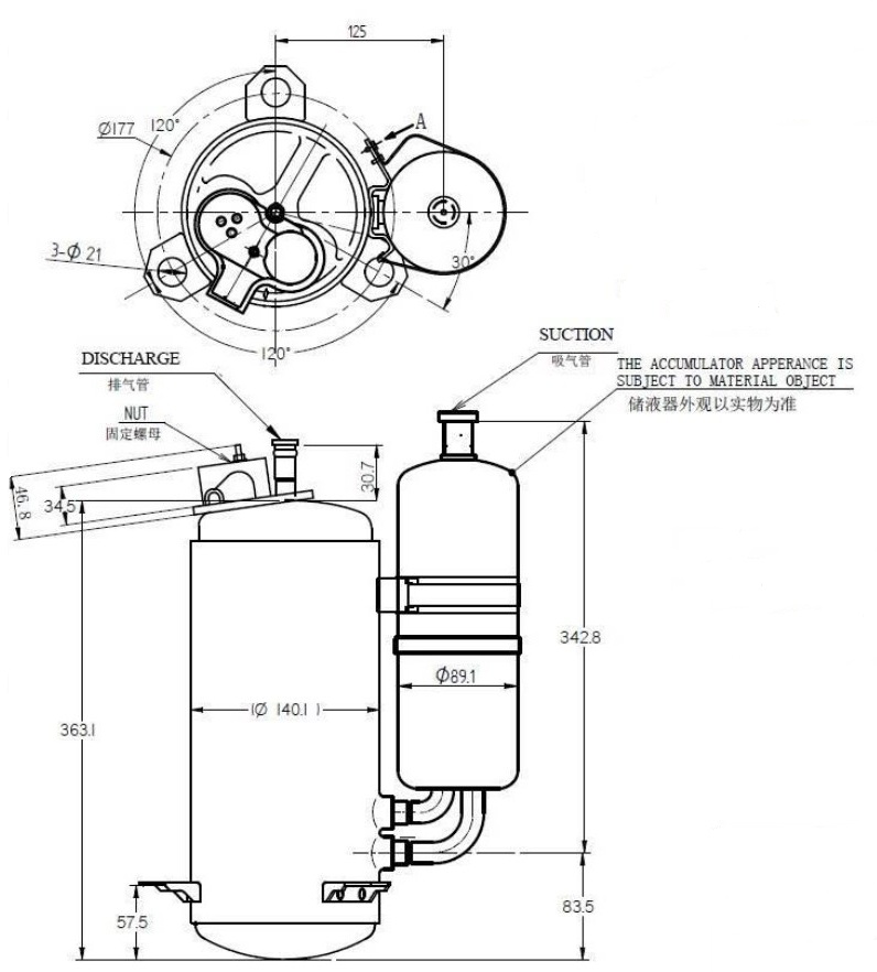
- 외형치수
     
■ 5~7.5HP급 DC 인버터 로타리 압축기 (드라이브 포함)
- 모델 : WHP15600
- 냉매 : R-410A
- 전원 : 3ph, AC380V, 50/60Hz
   - 토출량 : 41.8CC
   - 냉각용량 : 13,300W (E.T 7.2℃ / C.T 54.4℃ / 3600rpm)
- COP : 3.24
- 운전 주파수 범위 : 60~480Hz(900~7200rpm)
- 적용 온도범위
     
- 외형치수
     
■ 10~15HP급 DC 인버터 로타리 압축기 (드라이브 포함)
- 모델 : WHP09100
- 냉매 : R-410A
- 전원 : 3ph, AC380V, 50/60Hz
   - 토출량 : 84.8CC
   - 냉각용량 : 27,100W (E.T 7.2℃ / C.T 54.4℃ / 3600rpm)
- COP : 3.01
- 운전 주파수 범위 : 45~330Hz(900~6600rpm)
- 적용온도범위
1) 3600rpm 기준
     
       2) 6,000rpm 기준
- 외형치수
      



결제안내
 
 ※ 전자세금계산서 발행을 원하시면 콜드체인 싸이트에 신청후 02-2611-4640 으로 사업자 사본과 받으실 메일주소를 팩스 넣어주시든지 ideca@ideca.co.kr 로 사본 사진(전체가 나오게)과 메일주소 보내주시면 발행 가능합니다. 수령인 성함으로 주세요.
 
배송안내
 
교환반품안내
